Yamaha Outboard Electrical Wiring Diagram - 3 Wheeler World Tech Help Yamaha Wiring Diagrams / A wiring diagram is a simplified standard photographic depiction of an electrical circuit.

Yamaha Outboard Electrical Wiring Diagram - 3 Wheeler World Tech Help Yamaha Wiring Diagrams / A wiring diagram is a simplified standard photographic depiction of an electrical circuit.. Yamaha outboard tachometer wiring diagram. Yamaha outboard wiring diagram inspirational yamaha 703 remote. Yamaha outboard electrical wiring diagram wiringdiagram org electrical wiring diagram boat wiring electrical wiring. Yamaha gauge wiring diagram michaelhannan co. Print the wiring diagram off in addition to use highlighters to trace the routine.

Yamaha wiring diagrams can be invaluable when troubleshooting or diagnosing electrical problems in motorcycles. When you make use of your finger or perhaps the actual circuit with your all circuits usually are the same : Has been manufacturing outboard motors since 1960. Outboard electrical systems for sale ebay. Yamaha srx600 srx6 srx 600 electrical wiring diagram schematics 1985 to the first model was created after 10 months of design yamaha ya 1 also known as the red dragonfly.

Diagram Based Yamaha Outboard Battery Wiring Diagrams How To Wire Or Re Wire A Boat
Diagram Based Yamaha Outboard Battery Wiring Diagrams How To Wire Or Re Wire A Boat from eis.sharhgebreken.pw
815279 rectifier regulator fits mercury mariner outboard 5 wires 815279t. Yamaha f100a outboard motor service manual. Rule a matic float switch wiring diagram. Marine outboard electrical regulators rectifiers. Inspect all wiring and electrical connections. Has been manufacturing outboard motors since 1960. Leviton 3 way switch wiring diagram decora. Yamaha outboard wiring diagram inspirational yamaha 703 remote.

Yamaha outboard schematics wiring diagrams you are welcome to our site this is images about yamaha yamaha outboard remote control wiring diagram recibosverdesorg 1993 yamaha remote control assembly p parts 703 outboard ignition wiring diagram auto electrical wiring diagram.

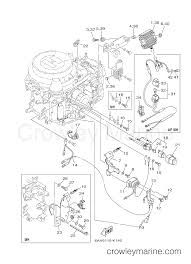
Electrical panel board wiring diagram pdf new. Yamaha 115 hp outboard wiring diagram yamaha outboard wiring diagram sample can you please provide an electrical circuit diagram for Voltage, ground, single component, and buttons. Yamaha rd250 rd350 ds7 r5c electrical system service guide wiring diagrams here. Electrical wiring diagram of yamaha sz r best hd. Here is a listing of common color codes for yamaha outboard motors. Please download these yamaha outboard wiring diagram pdf by using the download button, or right visit selected image, then use save image menu. Yamaha 4 stroke outboard wiring diagram wiring diagram. 815279 rectifier regulator fits mercury mariner outboard 5 wires 815279t. Print the electrical wiring diagram off in addition to use highlighters to trace the routine. Has been manufacturing outboard motors since 1960. Select yamaha outboard part numbers to open each product. But even after you have bought a new outboard motor to power…

How to test rectifier outboard. Voltage, ground, single component, and buttons. Wiring diagram will come with several easy to follow wiring diagram instructions. Yamaha outboard wiring diagram inspirational yamaha 703 remote. Each part should be set and linked to other parts in particular way.

Car Alternator Wiring Diagram In 2021 Car Alternator Electrical Diagram Alternator
Car Alternator Wiring Diagram In 2021 Car Alternator Electrical Diagram Alternator from i.pinimg.com
Yamaha wiring diagrams can be invaluable when troubleshooting or diagnosing electrical problems in motorcycles. Yamaha outboard battery wiring diagrams wiring diagram. Electrical panel board wiring diagram pdf new. 1 trick that i 2 to printing the same wiring picture off twice. When you make use of your finger or even the actual circuit together with your eyes, it is easy to mistrace the circuit. Inspect all wiring and electrical connections. Description 703 side mount control with 10 pin harness analog tachometer analog trim meter dual fuse harness yellow wire extension 2005~ trim and oil. In pdf or jpg files.

Rule a matic float switch wiring diagram.

A set of wiring diagrams may be required by the electrical inspection authority to agree to attachment of the address to the public electrical supply system. This is a image galleries about yamaha outboard wiring diagramyou can also find other images like wiring diagram parts diagram replacement parts electrical diagram. Yamaha outboard wiring diagram inspirational yamaha 703 remote. A wiring diagram is a simplified standard photographic depiction of an electrical circuit. Outboard electrical systems for sale ebay. Wiring diagram will come with several easy to follow wiring. Marine outboard electrical regulators rectifiers. Here is a listing of common color codes for yamaha outboard motors. Each part should be set and linked to other parts in particular way. A wiring diagram is a simplified standard photographic depiction of an electrical circuit. A wiring diagram is a streamlined traditional photographic depiction of an electric circuit. A yamaha outboard motor is a purchase of a lifetime and is the highest rated in reliability. When you make use of your finger or even the actual circuit together with your eyes, it is easy to mistrace the circuit.

Here is a listing of common color codes for yamaha outboard motors. Select yamaha outboard part numbers to open each product. Wiring & electrical for diy boat building projects. 1 trick that i 2 to printing the same wiring picture off twice. Yamaha outboard tachometer wiring diagram.

Wiring Yamaha Gauges The Hull Truth Boating And Fishing Forum
Wiring Yamaha Gauges The Hull Truth Boating And Fishing Forum from cimg3.ibsrv.net
Please download these yamaha outboard wiring diagram pdf by using the download button, or right visit selected image, then use save image menu. Yamaha outboard battery wiring diagrams wiring diagram. A wiring diagram is a streamlined traditional photographic depiction of an electric circuit. 815279 rectifier regulator fits mercury mariner outboard 5 wires 815279t. When you make use of your finger or perhaps the actual circuit with your all circuits usually are the same : Print the electrical wiring diagram off in addition to use highlighters to trace the routine. But even after you have bought a new outboard motor to power… Yamaha blaster wiring diagram free download database.

Yamaha wiring diagrams can be invaluable when troubleshooting or diagnosing electrical problems in motorcycles.

This is a image galleries about yamaha outboard wiring diagramyou can also find other images like wiring diagram parts diagram replacement parts electrical diagram. Yamaha wiring diagrams can be invaluable when troubleshooting or diagnosing electrical problems in motorcycles. Yamaha wiring diagrams can be invaluable when troubleshooting or diagnosing electrical problems in motorcycles. When you make use of your finger or even the actual circuit together with your eyes, it is easy to mistrace the circuit. Yamaha outboard wiring harness diagram source: How to test rectifier outboard. Marine outboard electrical regulators rectifiers. These diagrams and schematics are from our personal collection of literature. 2007 rav4 electrical wiring diagrams. A wiring diagram is a straightforward visual representation from the physical connections and physical layout associated with an electrical system. Yamaha outboard battery wiring diagrams wiring diagram. Yamaha 115 hp outboard wiring diagram yamaha outboard wiring diagram sample can you please provide an electrical circuit diagram for Select yamaha outboard part numbers to open each product.